Skip to content Skip to sidebar Skip to footer

Evaporative Emission System Leak Detection Pump Control Circuit High

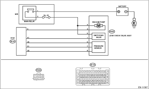
Evaporative Emission Control System

Evaporative Emission Control System

Evaporative emission system leak detection pump control circuit high. So the check engine came on for the first time today no messages no drive ability issues. Look up the other OBD II Trouble Codes please use the search box. Volvo C70Volvo S40Volvo XC90Volvo XC70Volvo XC60Volvo V70Volvo.

When the P2402 OBDII error code P2402 is stored it indicates that the EVAP system leak detection pump controller circuit has a high voltage signal return. The Engine Control Module ECM monitors for leaks and actuator malfunctions based on the EVAP pressure. Vapor Canister Valve - The purge valve is an integral part of the EVAP system.

The evaporative emission system is designed to prevent the escape of fuel vapors from the fuel system. 5 hours after the ignition switch is turned OFF the electric vacuum pump creates negative pressure vacuum in the EVAP Evaporative Emission system. P2402 DODGE Evaporative Emission System Leak Detection Pump Control Circuit High.

P0441 indicating an Incorrect Purge Flow. Purge valve should be closed. The engine computer PCM runs this test when the vehicle is off.

Autzone code reader found following 3 code. The currently selected ODB-ii codes is for the Volvo makes. P2402 is an OBD-II generic code for the engine control module ECM detecting the evaporative system leak detection pump control circuit has a high voltage signal return.

P2406 VOLVO EVAP System Leak Detection Pump Sense Circuit High. After the vehicle has been sitting for a few hours this pump will turn on and create a vacuum in the EVAP system. Symptoms of fault code P2402 Generic Check Engine light ON.

P0456 indicating a Leak is Detected very small leak. 2013 VW Jetta 25 SE with code P2402 Evaporative Emissions Leak Detection Pump Control Circuit High checked all fuses - Answered by a verified VW Mechanic We use cookies to give you the best possible experience on our website.

Partsavatar Ca Solution Of Obd Code Error P2402

Partsavatar Ca Solution Of Obd Code Error P2402

Evaporative Emission Control System

Evaporative Emission Control System

Evaporative Emission Control System

Evaporative Emission Control System

Evaporative Emission Control System

Evaporative Emission Control System

Dtc Code P2406 Evaporative Emission System Leak Detection Pump Sense Circuit High Land Rover And Range Rover Forum

Dtc Code P2406 Evaporative Emission System Leak Detection Pump Sense Circuit High Land Rover And Range Rover Forum

Partsavatar Ca Solution Of Obd Code Error P2402

Partsavatar Ca Solution Of Obd Code Error P2402

P2402 2010 Toyota Camry Code Evap System Leak Detection Pump Control Circuit High

P2402 2010 Toyota Camry Code Evap System Leak Detection Pump Control Circuit High

P0453 Code And Diagnosing The Leak Detection Pump

P0453 Code And Diagnosing The Leak Detection Pump

P2402 Evaporative Emission System Leak Detection Pump Fixya

P2402 Evaporative Emission System Leak Detection Pump Fixya

Evaporative Emission Control System

Evaporative Emission Control System

Partsavatar Ca Solution Of Obd Code Error P2402

Partsavatar Ca Solution Of Obd Code Error P2402

Amazon Com Bosch 0261222018 Original Equipment Self Diagnosis Module Automotive

Amazon Com Bosch 0261222018 Original Equipment Self Diagnosis Module Automotive

2011 2016 Vw Jetta Leak Detection Pump Replacement P2402 Youtube

2011 2016 Vw Jetta Leak Detection Pump Replacement P2402 Youtube

Signs Of A Bad Evaporative Leak Detection Pump

Signs Of A Bad Evaporative Leak Detection Pump

Partsavatar Ca Diagnose P2402 Obd Ii Trouble Code By Partsavatar Carparts Issuu

Partsavatar Ca Diagnose P2402 Obd Ii Trouble Code By Partsavatar Carparts Issuu

Code P2406 Jaguar Forums Jaguar Enthusiasts Forum

Code P2406 Jaguar Forums Jaguar Enthusiasts Forum

Subaru Crosstrek Service Manual Dtc P2401 Evap System Leak Detection Pump Control Circuit Low Diagnostic Procedure With Diagnostic Trouble Code Dtc

Subaru Crosstrek Service Manual Dtc P2401 Evap System Leak Detection Pump Control Circuit Low Diagnostic Procedure With Diagnostic Trouble Code Dtc

Dtc P2401 Evaporative Emission System Leak Detection Pump

Dtc P2401 Evaporative Emission System Leak Detection Pump

Best Way To Bench Test A Leak Detection Pump Ldp Youtube

Best Way To Bench Test A Leak Detection Pump Ldp Youtube

Subaru Legacy Service Manual Dtc P2404 Evap System Leak Detection Pump Sense Circuit Range Performance Diagnostic Procedure With Diagnostic Trouble Code Dtc

Subaru Legacy Service Manual Dtc P2404 Evap System Leak Detection Pump Sense Circuit Range Performance Diagnostic Procedure With Diagnostic Trouble Code Dtc

Subaru Crosstrek Service Manual Dtc P2401 Evap System Leak Detection Pump Control Circuit Low Diagnostic Procedure With Diagnostic Trouble Code Dtc

Subaru Crosstrek Service Manual Dtc P2401 Evap System Leak Detection Pump Control Circuit Low Diagnostic Procedure With Diagnostic Trouble Code Dtc

Multiple Error Codes W Engine Light On After Epfailure Range Rovers Forum

Multiple Error Codes W Engine Light On After Epfailure Range Rovers Forum

Evaporative Emission System Leak Detection Pump Range Rover

Evaporative Emission System Leak Detection Pump Range Rover

P0451

P0451

P043e P043f P2401 P2402 P2419

P043e P043f P2401 P2402 P2419

Evaporative Emission Evap Faults Check Engine Leaks Atlantic Motorcar

Evaporative Emission Evap Faults Check Engine Leaks Atlantic Motorcar

Evaporative Emission System Leak Detection Pump Range Rover

Evaporative Emission System Leak Detection Pump Range Rover

How To Replace Leak Detection Pump 04 06 Jeep Liberty Youtube

How To Replace Leak Detection Pump 04 06 Jeep Liberty Youtube

P2401 2008 Toyota Yaris Code Evap System Leak Detection Pump Control Circuit Low

P2401 2008 Toyota Yaris Code Evap System Leak Detection Pump Control Circuit Low

How Replace Leak Detection Pump 2008 2015 Bmw 750li Youtube

How Replace Leak Detection Pump 2008 2015 Bmw 750li Youtube

Partsavatar Ca Solution Of Obd Code Error P2402

Partsavatar Ca Solution Of Obd Code Error P2402

Help My Car Is Continually Throwing P2400 Code Bmw 3 Series E90 E92 Forum

Help My Car Is Continually Throwing P2400 Code Bmw 3 Series E90 E92 Forum

Charcoal Vapour Canister Filter Replacement 2015 Toyota Corolla P2401 P2402 Youtube

Charcoal Vapour Canister Filter Replacement 2015 Toyota Corolla P2401 P2402 Youtube

Dtc Code P2406 Evaporative Emission System Leak Detection Pump Sense Circuit High Range Rovers Forum

Dtc Code P2406 Evaporative Emission System Leak Detection Pump Sense Circuit High Range Rovers Forum

Partsavatar Ca Solution Of Obd Code Error P2402

Partsavatar Ca Solution Of Obd Code Error P2402

Codes P2402 And 2a13 Bmw 3 Series E90 E92 Forum

Codes P2402 And 2a13 Bmw 3 Series E90 E92 Forum

Dtc P2401 Evaporative Emission System Leak Highlander Club

Dtc P2401 Evaporative Emission System Leak Highlander Club

Codigo Falha Web Automotivo

Codigo Falha Web Automotivo

Partsavatar Ca Solution Of Obd Code Error P2402

Partsavatar Ca Solution Of Obd Code Error P2402

Dtc Evap P0442 P0455 P0456

Dtc Evap P0442 P0455 P0456

Evap Check Engine Codes Tacoma World

Evap Check Engine Codes Tacoma World

Evaporative Emission Control System

Evaporative Emission Control System

Finding And Fixing An Evaporative Emissions Leak

Finding And Fixing An Evaporative Emissions Leak

Evaporative Emission Control System

Evaporative Emission Control System

Evap System Codes Toyota Nation Forum

Evap System Codes Toyota Nation Forum

Evap Leak Detection Pump Youtube

Evap Leak Detection Pump Youtube

Db9 Vacuum Leak Detection Pump 6speedonline Porsche Forum And Luxury Car Resource

Db9 Vacuum Leak Detection Pump 6speedonline Porsche Forum And Luxury Car Resource

Dtc Error Codes Pdf

Dtc Error Codes Pdf

1

1

P0441 indicating an Incorrect Purge Flow.

How to repair P2406 code Evaporative Emission System Leak Detection Pump Sense Circuit High This fault code is stored in the engine control module when there is a malfunction with the evaporative emissions control circuit. Repair Information for P2402 Bmw code. The engine computer PCM runs this test when the vehicle is off. P2406 DODGE Evaporative Emission System Leak Detection Pump Sense Circuit High. The EVAPs function is to keep gasoline fumes in the fuel tank from reaching the atmosphere. 5 hours after the ignition switch is turned OFF the electric vacuum pump creates negative pressure vacuum in the EVAP Evaporative Emission system. Purge valve should be closed. The Engine Control Module ECM monitors for leaks and actuator malfunctions based on the EVAP pressure. How to repair P2402 code Evaporative Emission System Leak Detection Pump Control Circuit High 5 hours after the ignition switch is turned OFF the electric vacuum pump creates negative pressure vacuum in the EVAP Evaporative Emission system.


Leaks in the system even small ones can allow fuel vapors to escape into the atmosphere. The Engine Control Module ECM monitors for leaks and actuator malfunctions based on the EVAP pressure. The Diagnostic Trouble Code DTC can be diagnosed when the leak diagnostic system is run. So the check engine came on for the first time today no messages no drive ability issues. P2402 BMW Evaporative Emission System Leak Detection Pump Control Circuit High. A faulty leak detection pump will cause a check engine warning and is an emission relevant component. OBD Code P2402 - Evaporative Emission System Leak Detection Pump Control Circuit High.

Post a Comment for "Evaporative Emission System Leak Detection Pump Control Circuit High"